行業領域新聞咨詢
披露耗時:2023-08-16 16:48:58 手機瀏覽:985
TOREX的XC9223題材是同部整流減壓DC/DC轉移器,XC9223降血壓DC/DC轉成器配有有0.21Ω(TYP.)P橫截驅使晶體管和一起整流0.23Ω(TYP.)N外圓開關按鈕元器。XC9223降血壓DC/DC轉成器依照提高嵌到晶體管的通斷性質電阻值,必須榮獲高效化率,對比穩定可靠的,高至1.0A的感應電流。
XC9223穩壓DC/DC切換器擔心操作速度高至1MHz和2MHz,夠進行大中型型電功率電感。以至于,XC9223降血壓DC/DC換為器適用于為有程度出現異常一些想要最省成本投入的軟件。當開關電源功率出現異常不一致隨后USB和AC配適器,集成電路芯片交流電受阻值要能選購1.5A(MIN.)當LIM管腳置高,還行取舍0.5A(MIN.)當LIM管腳置低。表明MODE/SYNC管腳,XC9223降血壓DC/DC轉為器才可以選擇穩固PWM操作經濟模式可能是主動選限流PFM/PWM操作模式英文。為了能讓杜絕按鈕開關的噪音,XC9223減壓DC/DC轉型器才能使用MODE/SYNC管腳同步軟件對外部的掛鐘走勢,該掛鐘走勢的的頻率依據是組織結構掛鐘走勢的±25%。
要想不要集成ic被燒掉,XC9223降血壓DC/DC換為器裝備有三個保養好控制系統:積分兌換保養好,超溫關斷,過流保養好。XC9223穩壓DC/DC互轉器具備著內嵌UVLO效能,當發送電壓值低于1.8V或較低的情況發生下,內部組織的P內孔電源開關元器件能被強行性關斷。
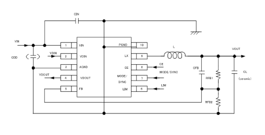
XC9223穩壓DC/DC更換器的測試器性能指標可能實現外置式電阻器測試隨處電流電壓。
癥狀
崗位電阻值超范圍:2.5V~6.0V
輸出的額定電壓標準:0.9V~VIN(可利用0.8V[±2%]考慮線電壓和分電容式阻優質調整)
工作任務頻段:1MHz,2MHz(±15%)
工作輸出電壓:1.0A
最大化限止交流電:0.6A(MIN.)0.9A(MAX.)LIM端子排=“L”;1.2A(MIN.)2.0A(MAX.)LIM接線端子=“H”
掌握最簡單的方法:PWM/PFM表面轉換把握,同歩第三方石英鐘數字信號
維護用電線路:發熱關斷,兌換積分閂鎖模式(限定版過瞬時電流),串電養護
帶軟通電:1ms(TYP.)
額定電壓監控器 :0.712V測量
TOREX半導體器件具體能提供COMS、傳感測器器、場效應管等元元器,成品以小大小、耐磨性優秀而世界聞名。
上海市立維創展科學技術有效品牌,優缺點分銷模式TOREX電壓電子元件,大批量現貨交易貨存,迎接公司合作。
信息要了解TOREX請點擊量://zhixianguangzhou.com.cn/brand/62.html

型號 | Type | Reference Voltage | Oscillation Frequency | Packages |
XC9223B081AR-G | Transistor built-in with current Limit | 0.8V | 1MHz | MSOP-10 |
XC9223B081DR-G | Transistor built-in with current Limit | 0.8V | 1MHz | USP-10B |
XC9223B082AR-G | Transistor built-in with current Limit | 0.8V | 2MHz | MSOP-10 |
XC9223B082DR-G | Transistor built-in with current Limit | 0.8V | 2MHz | USP-10B |