這個行業咨詢
發布了日子:2023-07-20 17:01:44 查看:1530
SILERGY(矽力杰)SQ76001RCC是款3MHz、1.2A搜集降血壓電壓穩壓器,SQ76001RCC在特定中小學型芯片封裝(2.5mm×2.0mm,H=1.1mm)中模塊化化工作電壓電感和模塊化處理芯片。SQ76001RCC高效能化,3MHz,1.2A內置額定功率電感微信同步穩壓穩壓電源。

癥狀
內部人員設定轉換開關(表層/低部)低RDS(ON):230mΩ/150mΩ
模塊化化電感以最大的幅度降低了外觀元件和PCB總體設計方案
2.5~5.5V端電壓空間
1.2A連著性傷害瞬時電流能
3MHz高崗位規律較大殘留量大幅度降低了外界包塊
內控軟打火調控浪涌電流大小
100%Dropout便用
做到RoHS準則且無鹵素燈泡
工作輸出自行化充尖端放電作用
緊奏型型封裝類型:QFN2.5×2-8
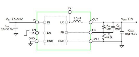
SILERGY(矽力杰)具體產生主機外接電源心片、主機外接電源接口等模擬仿真器材。在SQ76001RCC收費高,貨期長,市場中網友推薦pin to pin原位替換SQ76001RCC,用作規格型號為:MUN3CAD01-SB,MUN3CAD01-SB快速DC/DC電源模塊電源模塊電源。在2.5V和5.5V進入直流電超范圍內的電機負載直流電高至1.2A時帶來+1.8V模擬輸出線電壓。MUN3CAD01-SB電開關次數為3.0MHz,選用所打造的傳感器可做到高至90%的的效率。外盤強勢定價,熱情接待咨詢公司。
詳細信息認知MUN3CAD01-SB請點擊率://zhixianguangzhou.com.cn/article/2669.html