領域最新資訊
正式發布時期:2023-06-02 16:54:17 查看:1569
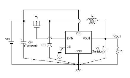
TOREX XC6366系列內嵌高速低通態電阻驅動器的通用型高頻率降壓DC/DC控制器集成電路。應用晶體管,電感線圈,二極管和電容器共4種外接器件,可搭建輸出電流為1A之上高效化降壓DC/DC轉換器。
XC6366類型降血壓DC/DC有效控制器接線圖也可以在1.5V~6.0V(精黏度±2.5%)位置當中,以0.1V的行間距達成設制(VOUT型)。況且,清除VOUT型認知能力,還體現了嵌入式1.0V的基本準則的電壓降源,可以外接電子元件自由制定輸出的的電壓降的款式尺寸規格(FB型)。
因電源開關工作頻率高至300kHz,能用縣域型外接電子元器件。XC6366系列作品降血壓DC/DC控住器在小負債時,PWM/PFM調成管理型XC6366系列作品以PFM操作表現形式完成作業。從而,在小時侯環境下到大讀取瞬時電流的整體風格環境下范圍內范圍內,完成提高效率化。
XC6366國產降血壓DC/DC管理器軟無法時光段有,在機器設置成為10ms的型號金橋銅業跨接線的截面積大小金橋銅業跨接線的截面積大小(A,B型),和其適用于外接熱敏電阻和電阻器完成調整的的形號規格參數(C,D型)。
XC6366類型穩壓DC/DC抑制器利用待機耐熱性,可結束使用使瞬時電流量消耗改變0.5μA以上(CE端"L")。
XC6366系列作品減壓DC/DC把控好器嵌入式UVLO機械性能,當復制粘貼線交流電壓在順利交流電壓電流線交流電壓以上時,會立即性的把外接多晶體管切割。
性
鍵入的電壓規模:2.2V~10V
的輸出端電壓空間:1.5V~6.0V(0.1V行距),±2.5%
事業速度:300kHz±15%,客人私人定制180,500kHz
導出工作電流:1.0A(VIN=5.0V,VOUT=3.0V)
高準換工作效率:92%(TYP.)
待建筑機電流:ISTB=0.5μA(MAX.)
TOREX半導體芯片主要的具備COMS、感測器器、肖特基二極管等元元件,產品的以小體積大小、效果領航而知名。
成都市立維創展現代科技限制企業,主要優勢分銷商城TOREX電源適配器元件,更多現貨交易存貨,認可合作協議。
淘寶手機端詢問TOREX請超鏈接://zhixianguangzhou.com.cn/brand/62.html

技術參數 | Type | Output Voltage | Oscillation Frequency | Packages |
XC6366A152ER-G | VOUT type: internally set-up, Soft-start internally set-up | 1.5V | 180kHz | USP-6C |
XC6366A152MR-G | VOUT type: internally set-up, Soft-start internally set-up | 1.5V | 180kHz | SOT-25 |
XC6366A153ER-G | VOUT type: internally set-up, Soft-start internally set-up | 1.5V | 300kHz | USP-6C |
XC6366A153MR-G | VOUT type: internally set-up, Soft-start internally set-up | 1.5V | 300kHz | SOT-25 |
XC6366A155ER-G | VOUT type: internally set-up, Soft-start internally set-up | 1.5V | 500kHz | USP-6C |
XC6366A155MR-G | VOUT type: internally set-up, Soft-start internally set-up | 1.5V | 500kHz | SOT-25 |
XC6366A162ER-G | VOUT type: internally set-up, Soft-start internally set-up | 1.6V | 180kHz | USP-6C |
XC6366A162MR-G | VOUT type: internally set-up, Soft-start internally set-up | 1.6V | 180kHz | SOT-25 |
XC6366A163ER-G | VOUT type: internally set-up, Soft-start internally set-up | 1.6V | 300kHz | USP-6C |
XC6366A163MR-G | VOUT type: internally set-up, Soft-start internally set-up | 1.6V | 300kHz | SOT-25 |
XC6366A165ER-G | VOUT type: internally set-up, Soft-start internally set-up | 1.6V | 500kHz | USP-6C |
XC6366A165MR-G | VOUT type: internally set-up, Soft-start internally set-up | 1.6V | 500kHz | SOT-25 |
XC6366A172ER-G | VOUT type: internally set-up, Soft-start internally set-up | 1.7V | 180kHz | USP-6C |
XC6366A172MR-G | VOUT type: internally set-up, Soft-start internally set-up | 1.7V | 180kHz | SOT-25 |
XC6366A173ER-G | VOUT type: internally set-up, Soft-start internally set-up | 1.7V | 300kHz | USP-6C |
XC6366A173MR-G | VOUT type: internally set-up, Soft-start internally set-up | 1.7V | 300kHz | SOT-25 |
XC6366A175ER-G | VOUT type: internally set-up, Soft-start internally set-up | 1.7V | 500kHz | USP-6C |
XC6366A175MR-G | VOUT type: internally set-up, Soft-start internally set-up | 1.7V | 500kHz | SOT-25 |
XC6366A182ER-G | VOUT type: internally set-up, Soft-start internally set-up | 1.8V | 180kHz | USP-6C |
XC6366A182MR-G | VOUT type: internally set-up, Soft-start internally set-up | 1.8V | 180kHz | SOT-25 |
XC6366A183ER-G | VOUT type: internally set-up, Soft-start internally set-up | 1.8V | 300kHz | USP-6C |
XC6366A183MR-G | VOUT type: internally set-up, Soft-start internally set-up | 1.8V | 300kHz | SOT-25 |
XC6366A185ER-G | VOUT type: internally set-up, Soft-start internally set-up | 1.8V | 500kHz | USP-6C |
XC6366A185MR-G | VOUT type: internally set-up, Soft-start internally set-up | 1.8V | 500kHz | SOT-25 |
XC6366A192ER-G | VOUT type: internally set-up, Soft-start internally set-up | 1.9V | 180kHz | USP-6C |