餐飲行業咨詢
發布信息用時:2023-05-06 17:04:19 訪問:1440
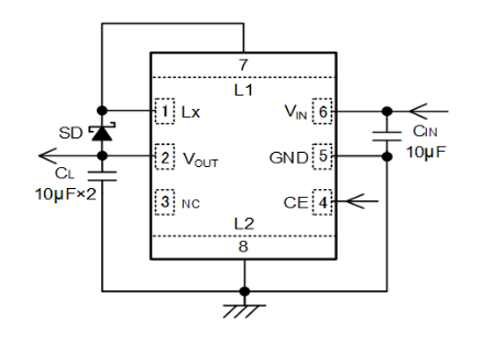
TOREX電源模塊XCL301系列是種內嵌P端面驅動晶體管的負電壓輸出micro DC/DC轉換器。通過調節IC與線圈一體化,能夠實現微型化,僅需在外部增加肖特基二極管與電容器,就能夠搭建不占用空間的電源。XCL301系列轉換器額定電壓為2.7V~5.5V。輸出電壓已設置成-3.3V(精密度±2.0%)。
XCL301系列表換為器行駛經營模式為PFM/不穩定性重新啟動時間間隔PWM定時設定遠程控制,在在小負債(輕載)時將活動從保持穩定關機重啟周期PWM控制電腦變更至PFM把控,在小短路電流(輕載)至大短路電流(輕載)的總體短路電流的范圍將推動準確,最符合關注著小短路電流(輕載)下的更高的效率的設施環保設備和在意電池板衰減的設施環保設備。
XCL301題材更換器實現在待機時中斷整體布局外接電源電線,將靜態數據消耗電流量限定在0.1μA(TYP.)下列。因內置(電源線)進入欠壓鎖閉(Under Voltage Lock Out)耐腐蝕性,當設置線電壓超過欠壓鎖閉電在平日,會強制性要求退場內P橫截動力氯化鈉晶體管。除此本身,UVLO檢定線電壓為2.2V(TYP.)。
XCL301產品系列互轉器因嵌到CL電流效果,進行在待機時,重置VOUT-VIN間的室內啟閉,將通過內電阻功率保持CL的自由電荷。要 一個尖端放電性,要將傳輸工作電壓不斷回復到GND電平。

特征
鍵盤輸入電壓值:2.7V~5.5V
輸出精度電流電壓:-3.3V
模擬輸出電壓降準確度:±2.0%
上限讀取電流值:-50mA@VOUT=-3.3V, VIN=3.3V (TYP)
默認設置驅程器:1.3Ω (Pch驅程器)
消耗量電壓:40μA (TYP.)
有效控制原則:PFM / 一定關閉時段PWM 自主鎖定調整
快捷負載電阻瞬態反應:-50mV(VIN=3.3V,VOUT=-3.3V,IOUT=1mA→50mA)
PFM電開關電流大小:550mA
功用:
短路保護區模塊
軟進行電壓限止功能性
CL自然釋放電能功能表
UVLO
陶瓷圖片電容器
工作的室內溫度時間范圍:-40℃~+85℃
自我調節環保型耍求:與EU RoHS規模相當于、無鉛
TOREX光電器件具體提高COMS、調節器器、場效應管等元電子器件封裝,產品以小容積、機械性能非凡而廣為人知。
杭州市立維創展科持較少公司,資源優勢分銷管理TOREX電原功率器件,大量外盤貨存,熱情接待合作項目。
商品詳情頁分析TOREX請點開://zhixianguangzhou.com.cn/brand/62.html