服務業最新資訊
發布了時光:2023-03-06 17:02:08 手機瀏覽:2039
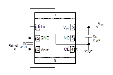
TOREX的XCL210題材是低耗費的電能降血壓大中型DC/DC轉型器。調整IC和電感線圈碰面在一同,到位了袖珍型化,只需在外面集成電路芯片上變多的兩個電阻器,就能構造一種不占地范圍的外接電源接口。
XCL210系列表轉化器借助低高能耗IC技術水平并且開張發的高耐腐蝕性電機轉子實現目標更高效化,極為有益于技術應用電瓶的聯通POS機終端和智力穿脫機器設備的暫時win7驅動。
XCL210一系列轉變器上班插入額定電壓的范圍在2.0V至6.0V當中。交流電源交流電壓在內設計方案,在1.0V至4.0V的空間內,以0.05V的區間制定。基于在待機情況下下停機整體上外接電源電路原理,電流大小量耗電量形成在0.1μA下(標稱值)很高加熱器端差電流量可以取舍50mA或200mA。
XCL210編互轉器兼具嵌到UVLO(欠壓確定)性能方面,當插入端電壓底于UVLO監測數據電流值時,內層P內孔驅動軟件多晶體管將不得不止住正常運作。XCL210C型和XCL210D型,使用CL充釋放電能耐熱性,在待機時解鎖VOUT-GND相互之間外部旋轉開關,按照內電阻功率充擊穿CL的帶電粒子。此充釋放安全性能跳到電源模塊電壓值的VSS品質在高速收費站。

特征描述
進入輸出功率區間:2.0V~6.0V
的輸出電壓值:1.0V~4.0V(±2.0%)
打印輸出交流電:200mA(TypeA/C),50mA(Type B/D)
浪費電流量:0.5μA
率:93%(VIN=3.6V,VOUT=3.0V/100μA)
剎車模式:PFM的控制
條件室內溫度:-40℃~+85℃
TOREX半導體設備一般出具COMS、感測器器、電子元配件大家庭中的一員-二極管等元配件,護膚品以小容積、性能參數桌越而知名。
廣州 市立維創展科技實業公司非常有限實業公司,好處二級分銷TOREX主機電源元器,豐富現貨黃金貨源,感謝的合作。
詳細情況認識TOREX請點://zhixianguangzhou.com.cn/brand/62.html