職業介紹
上架時間間隔:2020-08-31 15:09:54 閱(yue)覽(lan):7287
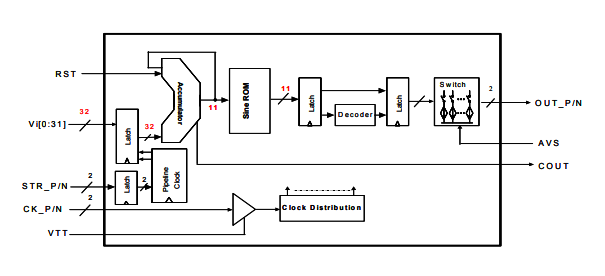
DS852是一種高速(su)直接(jie)數字合成器,頻(pin)率(lv)調諧分(fen)辨率(lv)為(wei)32位(wei)(wei),振幅(fu)分(fen)辨率(lv)為(wei)11位(wei)(wei)。DS852第一奈奎斯特波段的(de)正弦波最大產生1.1 GHz。初始階段可以(yi)(yi)重置為零啟動。DS852芯片具有(you)一對與50相連的(de)(de)互補輸出(chu)端子。輸出(chu)波形的(de)(de)頻率可由32位頻率控制位Vi[0:31]控制。DS852可以(yi)(yi)接受互補時鐘輸入或單端時鐘輸入,具有(you)50Ω的(de)(de)片上后(hou)端終端和用戶定義(yi)的(de)(de)閾(yu)值。頻率字的輸入信號接受(shou)LVTTL或CMOS輸入電(dian)平。只需5.0伏外接電源。

DS852常見優點(dian)
32位(wei)幀率(lv)調諧器和11位(wei)相位(wei)甄別率(lv)
具(ju)11位鑒別率(lv)的片(pian)上dac
數字時鐘(zhong)頻繁(fan) 高達模型(xing)2.5GHz
形成超過1.2GHz的正(zheng)弦交流電波(bo)
50后面同質摸擬波(bo)形(xing)圖(tu)傳(chuan)輸
較差(cha)SFDR>50 dBc
LVTTL/CMOS數字1平率字錄入
解鎖引腳以重新啟動(dong)周期(qi)0發動(dong)狀況
應用在(zai)更新換代(dai)工作頻率字和dac輸出電(dian)壓(ya)平率的快速路選通
高速公(gong)路選通顯示充許由單(dan)支機或DSP集成塊管(guan)控DS852,確(que)保雷達回波圖啁啾性能。
頻點游戲更(geng)新率更(geng)是高(gao)達8個鐘(zhong)表周期長
單-5.0V電原的耗電量為3.0W
64針QFN二極管封裝
DS852利(li)用(yong)
統計(ji)規(gui)劃(hua)和耐壓試(shi)驗
衛星影像(xiang)數據通(tong)信
VSAT
光電子戰
無線wifi移動信號塔
rf射頻訊(xun)號源所產(chan)生(sheng)
檢查(cha)儀器和半導體(ti)技(ji)術檢查(cha)儀
先(xian)進的流量調變
武漢市立維創展科技開發是(shi)EUVIS的(de)代里廠家商,重點展(zhan)示 EUVIS的(de)高度尖端(duan)的(de)穩定(ding)數(shu)(shu)模改變(bian)DAC、會數(shu)(shu)字(zi)化幾(ji)率(lv)組成(cheng)器(qi)DDS、多路復用DAC的(de)存儲芯片級好(hao)設(she)備,并且(qie)高速的(de)收采板卡、新動態波(bo)形參數(shu)(shu)的(de)高壓發生器(qi)等好(hao)設(she)備,原(yuan)裝進口外盤,市(shi)場(chang)價格(ge)長處,祝賀了解和咨詢。