HMC1113LP5E/HMC1113LP5ETR表貼封裝密集型下直流變頻空調器 ADI外盤
上線準確時間:2018-07-03 10:16:58 閱讀:2468
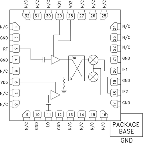
HMC1113LP5E不是款省油的suv型GaAs MMIC I/Q下變頻柜柜器,分為無鉛5 x 5 mm低應力應變鋅合金壓鑄塑料管表貼封裝類型。 該元件展示 12 dB的小網絡信號更換增加收益、1.8 dB的噪音分貝因子和25 dBc的系統isoisoiso鏡像軟件壓制機械性能。 HMC1113LP5E分為LNA,后接由LO降低器調小器win7驅動的系統isoisoiso鏡像軟件壓制混頻器。 該系統isoisoiso鏡像軟件壓制混頻器可使LNA此后不需要動用濾波器,并可避免系統isoisoiso鏡像軟件頻次下的熱噪音分貝。 它都具有I/Q混頻器模擬輸出,需要外觀90°分層物型元件適用于決定需要邊帶。 HMC1113LP5E為分層物型系統isoisoiso鏡像軟件壓制混頻器下變頻柜柜器元件的小形充當元件,它不需要線焊,應該動用表貼生產制造水平。
|
品牌
|
型號
|
描述
|
貨期
|
庫存
|
|
ADI
|
HMC1113LP5E
HMC1113LP5ETR
|
GaAs MMIC I/Q下變頻器,10 - 16 GHz
|
現貨
|
257
|
HMC1113LP5E用
-
點對點和點對多點無線電
-
軍用雷達、EW和ELINT
-
衛星通信
HMC1113LP5E優勢和特點
-
變為增益值:12 dB
-
鏡像軟件減弱:25 dBc
-
LO至RF隔離:45 dB
-
燥音標準值:1.8 dB
-
IP3:1 dBm
-
32引腳5 x 5 mm SMT封裝形式
HMC1113LP5E結構圖
