HMC1063LP3E/HMC1063LP3ETR緊密型I/Q MMIC混頻器 ADI外盤
發表準確時間:2018-07-02 14:41:15 訪問 :1899
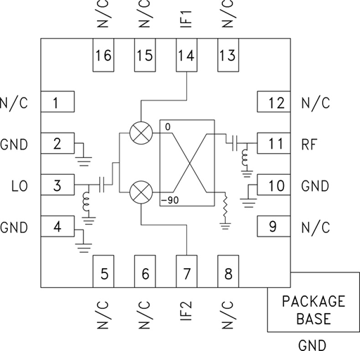
HMC1063LP3E是一種款省油的suv型I/Q MMIC混頻器,運用“無鉛”SMT封口,也也可以作鏡象系統可阻止混頻器或單向帶入定頻器。 該混頻器運用好幾個標準的Hittite雙平衡量混頻器摸塊和有一個直角相溶物配件,均運用GaAs Schottky場效應管工藝設計打造。 粉紅噪聲正交相溶物配件用作導致1,000 MHz LSB IF的輸出。 該產品的為相溶物型鏡象系統可阻止混頻器和單向帶入定頻器構件的全自動代替配件。 HMC1063LP3E不可線焊,也可以施用表貼打造技術應用。
|
品牌
|
型號
|
描述
|
貨期
|
庫存
|
|
ADI
|
HMC1063LP3E
HMC1063LP3ET
|
GaAs MMIC I/Q混頻器,24 - 28 GHz
|
現貨
|
259
|
HMC1063LP3E應用
-
點對點和點對多點無線電
-
軍用雷達、EW和ELINT
-
衛星通信
-
傳感器
HMC1063LP3E優勢和特點
-
低LO功率: 10 dBm
-
寬IF帶寬: DC - 3 GHz
-
鏡像抑制: 21 dBc
-
LO/RF隔離: 40 dB
-
高輸入IP3: 17 dBm
-
16引腳3x3 mm SMT封裝: 9 mm2
HMC1063LP3E結構圖
