HMC634LC4/HMC634LC4TR驅動下載拖動器瓷磚表貼二極管封裝 ADI外盤
發布消息日子:2018-06-29 11:34:17 閱讀:1990
HMC634LC4不是款GaAs PHEMT MMIC控制器變大器,適用無鉛4x4 mm瓷磚表貼封裝,的工作上概率位置為5至20 GHz。 該變大器出示將高達21 dB的收獲控制、+29 dBm打印輸入輸出IP3及+22 dBm的打印輸入輸出功效(1 dB收獲控制縮短時),的工作電壓值為180 mA(+5V交流電源)。 HMC634LC4控制器變大器無比更適合的工作上概率位置為5至20 GHz的微波通信wlan電應用領域,電壓值可偏置為+5V (130 mA)以出示較低收獲控制并糾正PAE。 隔直變大器I/O輸入50 Ω,不用異常輸入pcb板。
|
品牌
|
型號
|
描述
|
貨期
|
庫存
|
|
ADI
|
HMC634LC4
HMC634LC4TR
|
驅動放大器,采用SMT封裝,5 - 20 GHz
|
現貨
|
251
|
適用
-
點對點無線電
-
點對多點無線電和VSAT
-
混頻器LO驅動器
HMC634LC4優勢和特點
-
增益: 21 dB
-
P1dB: +22 dBm
-
飽和功率:
+23 dBm (17% PAE)
-
單電源電壓: +5V (180 mA)
-
50 Ω匹配輸入/輸出
-
24引腳4x4mm
SMT陶瓷封裝: 16mm2
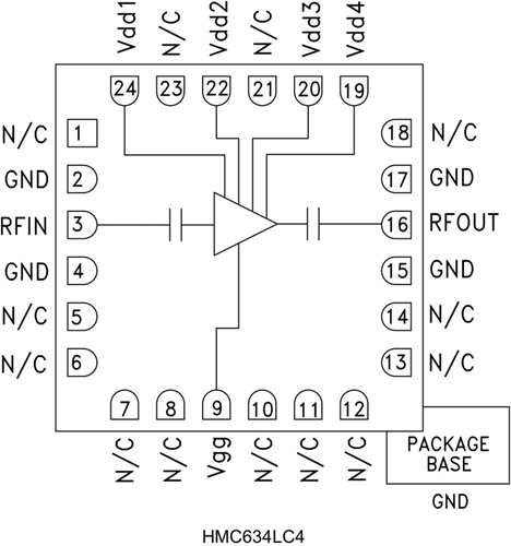
HMC634LC4結構圖
