2kw單相聯絡AC-DC電組件帶PFC_美利堅共和國PICO電組件HPHA2
發布消息周期:2019-01-25 11:23:22 查看:3310
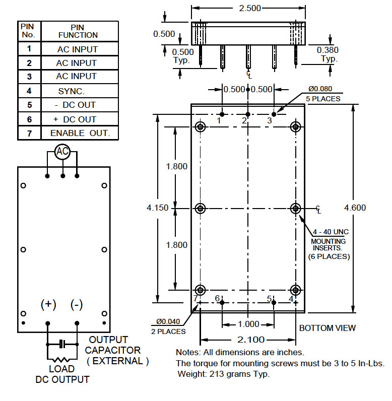
PICO的2kw三相電機電機聊天電AC-DC供電控制模塊HPHA2是常用到220V或三相電機電機輸人/直流變壓器輸出精度APP的萬能聊天電電的帶PFC比較好前面。標準規范2.5“x 4.6”x 0.5“規格尺寸規格是現階段市面 上電功率的范圍較小的規格尺寸規格其一。出示365V穩壓直流電源傷害的,能用的 作PICO FD / MD / LFD / LMD /的前端部位LPD / PD和HPD類別DC-DC改換器可出示3.3V至300V DC。不僅如此,非常多脈沖光和調速電機應用軟件都在以馬上在使用HPHA2的365V DC傷害的。對與眾不同的傷害的事業電壓和加密的事業溫,請在線咨詢咱們。
|
品牌
|
型號
|
貨期
|
庫存
|
|
PICO
|
HPHA2
|
1周
|
500
|
|
如若您需要購HPHA2,請點擊右側客服聯系我們!!!
|
自己的特色不足之處:
-
完全符合EN / IEC 61000-3-2規定
-
常用輸入相電壓(47至440Hz)(85至250V AC)或208V AC±20%。線對線三相四線填寫原則
-
輸入最大功率: 2000W(以每伏0.5%的強度從220V AC降落到170V AC)
-
額定功率質數: 0.99(從50%到100%FL)
-
云同步引腳:這對所需同樣的設計,可不可以動用100 KHz的同樣訊號。
-
起用引腳:廣泛用于以防Pico DC-DC裝換器訪問,到最近HPHA2的打出在可聯受的受限制范圍內內。馬上連接方式到PICO的LP / P / HP DC-DC控制器的關斷引腳,使能引腳將長期保持DC-DC控制器關畢,終會HPHA2的轉換在可連受的影響區間內。假設DC-DC組件未能帶來了重裝載,這是因為著這將不容許DC-DC更換器在<300伏輸入時打開微信,另外HPHA2一定帶來了I =開關電源/ Vout的電流大小。
-
成功率: 90%或會高(從170到250V AC或三相電源放入面積最小95%)
完整性組合件要求:
特別留意:穩壓365V電流傳輸可會馬上使用于很多的交流電動機,機光和會馬上推動軟件。
-
通用性設置工作電壓(47至440 Hz): 85至250V AC。
-
注意力: 而對于110 / 220V AC操作流程,提示語接觸“AC3”端子排。
-
降額輸出電壓馬力高出220V AC(參考上邊的“導出熱效率”)
-
來說達到60 Hz的頻點,效率質數將擴大。見諒層次性耍求,請咨詢服務廠。
-
為榮獲最適吸收率,提議在使用170至250V AC。(110V AC輸入的先進典型的使用率為90%,220V AC輸入的先進典型的使用率為95%)
-
單相復制粘貼: 208V AC±20%線對線三相電填寫
-
輸入輸出電功率:最大的2000瓦@ 220V AC。將模擬輸出馬力從220 VAC規則化降底0.5%/ Volt至170 VAC(非常大馬力@ 170 VAC填寫= 1,500 W)。110 VAC最大化1,000瓦。將輸送瓦數從110VaX非線性下降1.2%/ Volt至85 VAC(最高瓦數@ 85 VAC輸進= 700瓦)。
-
滿艙時的轉換電流容差: ±2%
-
運作規律: 100KHz
-
事情工作頻率: 0oC至+85oC基材,不用辦理額定最大功率。
-
想要的輸入濾波電容:意見和建議在2000W時為1.5m F至1200μF。這將保護紋波電壓值需小于10Vpp。 請參閱其他輸出電平,路線圖頻次或Vpp紋波的計算方式。
-
防曬隔離霜:
-
設置到輸入輸出:無
讀取/輸送那么到底板:2121V DC
-
電流調接: (10%至100%過載±3%)
-
熱關斷: 90至100oC底板
-
發生故障庇護: HPHA2必須要一位與插入串并聯的15安培更快短路商業險絲。
-
含量: 7.2盎司(231克)基本特征
2kw三相交流AC-DC電源模塊結構圖
