行業內內容
推出時候:2019-02-20 16:00:57 搜索:1719
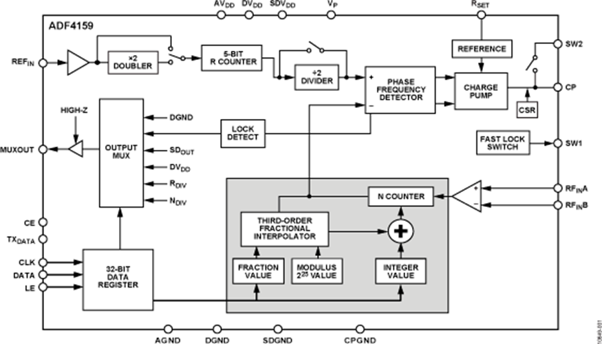
ADF4159WCCPZ由低噪聲數字鑒頻鑒相器(PFD)、精密電荷泵和可編程參考分頻器組成。 該器件內置一個Σ-Δ型小數插值器,能夠實現可編程小數N分頻。 INT和FRAC寄存器可構成一個總N分頻器(N = INT + (FRAC/225))。
ADF4159WCCPZ可作于推動頻移鍵控(FSK)和相移鍵控(PSK)調制解調。 另外還有有一些可作的規律復印儀機制,可在頻域內產生了幾種波型,比如鋸齒狀波和三邊形波。 復印儀也可裝置為智能實現,也也可裝置為用間接單脈沖自動解鎖每一個過程。 ADF4159WCCPZ有著周跳拉長電路原理,可進十步拉長選擇日子,而無須修訂環路濾波器。 全部片內寄存器均依據單純的3線式24v電原接口對其進行掌握。 ADF4159選擇2.7 V至3.45 V摸擬24v電原和1.62 V至1.98 V數字824v電原供氣,都要時是可以關斷。
| 品牌 | 型號 | 貨期 | 庫存 |
| ADI | ADF4159WCCPZ | 1周 | 100 |
應用
優勢和特點
示意圖
