HMC487LP5E/HMC487LP5ETR選擇SMT打包封裝2瓦特公率圖像功率放大器 ADI現貨交易
上線時間間隔:2018-06-25 15:48:33 訪問 :2521
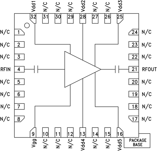
HMC487LP5(E)就是一款高的動態范疇GaAs PHEMT MMIC 2瓦特輸出精度熱效率調大器,選取無引腳5x5 mm外壁貼裝二極管封裝。 該調大器在9至12 GHz的概率下做工作,供給20 dB的增加收益、+33 dBm的飽合輸出精度熱效率和20%的PAE,電源開關電流為+7V。 輸出精度IP3為+36 dBm(主要值)。 RF I/O為隔直串口,并切換至50Ω,用快捷。 HMC487LP5(E)需不需要線焊,同意用外壁貼裝造成技術設備。
|
品牌
|
型號
|
描述
|
貨期
|
庫存
|
|
ADI
|
HMC487LP5E
HMC487LP5ETR
|
2瓦特功率放大器,采用SMT封裝,9 - 12 GHz
|
現貨
|
223
|
HMC487LP5應用
-
點對點無線電
-
點對多點無線電
-
測試設備和傳感器
-
軍事最終用途
HMC487LP5優勢和特點
-
飽和功率: +33 dBm(PAE為20%時)
-
輸出IP3為+36 dBm
-
增益為20 dB
-
+7V、1300 mA電源
-
50 Ω匹配輸入/輸出
-
25 mm2無引腳SMT封裝
HMC487LP5結構圖
