HMC659LC5/HMC659LC5TR劃分式電機功率調大器 貼合RoHS條件 ADI現貨平臺批發商商
上線日期:2018-06-25 14:26:35 查看:7997
HMC659LC5有的是款GaAs MMIC PHEMT數據集中式做工作耗油率縮放器,按照不符合RoHS準則的5x5 mm無引腳瓷器表貼封裝,在DC到15 GHz的幀率范疇內做工作。該縮放器帶來了19 dB增加收益值、+35 dBm的傳輸IP3和+27.5 dBm的傳輸做工作耗油率(1 dB增加收益值減少),顯卡功耗為300mA(按照+8V電源線)。
HMC659LC5在DC - 15 GHz的范圍內給出±0.7 dB的優異收獲白皙度,為此相當適當EW、ECM、統計和測試儀主設備工藝應用。HMC659LC5擴大器I/O內部組織匹配好50 Ω,沒有外鏈電氣元件。HMC659LC5與高出水量表貼制做工藝兼容。
|
品牌
|
型號
|
描述
|
貨期
|
庫存
|
|
ADI
|
HMC659LC5
HMC659LC5TR
|
功率放大器,采用SMT封裝,DC - 15 GHz
|
現貨
|
173
|
HMC659LC5應用
-
電信基礎設施
-
微波無線電和VSAT
-
軍事和太空
-
測試儀器儀表
-
光纖產品
HMC659LC5優勢和特點
-
P1dB輸出功率:+27.5 dBm
-
增益:19 dB
-
輸出IP3:+35 dBm
-
電源電壓:+8V(300 mA時)
-
50 Ω匹配輸入/輸出
-
32引腳陶瓷5x5mm
SMT封裝:25mm2
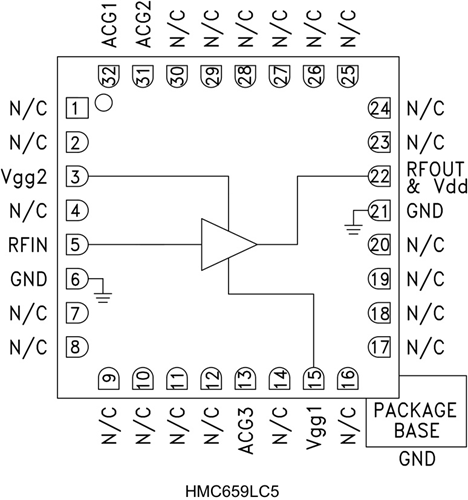
HMC659LC5結構圖
