這幾天會遇到這些老太伴考慮同一個情況,可是2.92mm紅外光連到器,這一2.92是什么喻意呢?
這些立維的施工師為人們了接下來有些素材,與人們講解一段時間。
公厘波銜接器采用尺寸規格類別
微波射頻射頻微波射頻領域的聯系器,有長種定義類型形式以下:
A) 2.92mm K型無線接插件 (用于18GHz、27GHz、36GHz、40GHz)
B) 2.40mm 對接器 (使用18GHz、27GHz、36GHz、40GHz、50GHz)
C) 1.85mmV型聯系器 (適用人群18GHz、27GHz、36GHz、40GHz、50GHz、67GHz)
D) 1.0mm W型連接方式器 (適用人群18GHz、27GHz、36GHz、40GHz、50GHz、67GHz、110GHz)
E) 0.9mm 微形迷你型連結器 (適用性18GHz、27GHz、36GHz、40GHz、50GHz、67GHz)
mm毫米波連接方式器設計
在當中K型銜接器可承重40GHz左右范疇的亳米波用,而重要的亳米波專業市場新產品也在40GHz,這也影響K型銜接器坐擁了比較大的市場需求。

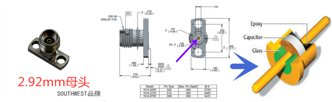
公司用上面一整張圖舉例,2.92mm是鏈接器中央外導體的公稱直徑,只能夠說成事實上商品的外導體的公稱直徑的大小有好幾種規格規格,但以2.92mm為中央領域,以改變不一樣的的識別鏈接器商品的大小。
mm毫米波接觸器盡寸金橋銅業跨接線的截面積大小有什么故事
說到 2.92mm 、2.40mm、1.85mm、1.0mm、0.9mm這尺寸大小標準化,需求必須有一個特定的功效的到毫米(mm)波的可見光波長。
次數 | 可見光波長 | 率 | 激發光譜 |
| 18GHz | 16.67mm | 50GHz | 6.00mm |
| 27GHz | 11.11mm | 67GHz | 4.48mm |
| 36GHz | 8.33mm | 110GHz | 2.73mm |
| 40GHz | 7.50mm | 140GHz | 2.14mm |
從IEEE標準化正規里查閱,厘米(mm)波相射頻連接器的導體長度,每有什么區別千分其中之一mm,總會引響到厘米(mm)波的發送相位期轉化。而厘米(mm)波的聲音頻率越高,這些導體長度的精密度和接觸面純凈度、鋼筋保護層好度、介面縱深也需求高些的要,長度公差類似千分之五mm ,任某個相位的誤差率的計算時間也就引發VSWR的誤差率。
公厘波的技術應用中,較多較多過于40GHz的的項目全都精密制造軟件測試的用途,以至于要把同一個金屬件結構的件手工加工到這么的精密度較,較多較多合作方甘愿選定 出口品脾的公厘波接觸器新產品,如新西蘭SOUTHEWEST、THUNDERLINE-Z
分米波無線電源連接器互兼容性測試性
不同的的規格的直徑波接器匹配以下的:
2.92mm接入器就可以與SMA、3.5mm接入器自適應
2.4mm接觸器就可以與SMA、3.5mm、2.92mm接觸器配適
1.85mm鏈接器就可以與2.4mm鏈接器配適
1.0mm相射頻連接器不可另一厚度替換
中文名字
物料調試指點