江西稻城海子山,均勻地形4410米。往日人跡罕至的的地方,另一個方圓1.36平方米雅居樂西雙林語10公里的監測陣列已經在收緊安轉,近萬個監測器將一探時代之謎——高可星球線來源。
2018年6月19日,國度重點高新科技依據配制高海撥高度地球線測量站(LHAASO),滲入聚集安裝程序一階段。發達國家自己科研的2270只高時區分率的光電材料材料凈增管將在該體統中發揮出重要性的作用。與此此外,數千里模版的陽江中微子測試培訓基地也帶來了10000只德國進口20厘米微管道板型光電材料材料凈增管,其監測熱效率平均符合30%左右,成功失敗勝過外國相近品牌平均水平。
光學科技增漲管是高激光初中物理試驗的主要通用版零配件,被稱為中微子試驗中能力量最多、最主要的器材中的一種。近年來,各國已沖破世界競爭者的價格競爭,成就工業化生產出生界頂級的高效果20屏幕尺寸微緩沖區板型光學科技增漲管,很好解決了各國大科學學工業的“卡頸部一個”事情,促進真空度光學科技遙測器材高新產業的自主化實時控制優服務質量不斷發展。

(光電公司培增管陣列)
而廣州陽江開平市,地面下700米淺處。此地正施工一幢超巨型地面下中微子偵測實驗性室,如同科幻大片里的未來的發展世界里:這個外徑35米球體的偵測器,實物是2億噸通透的透明液體閃動體,第三方外徑為40米的鋼結構材料類型能裝有20000只2045英寸和25000只345英寸光電子增漲管,上面的產生的偵測器浸泡在外徑為43米的圓形胃中。
表達方式微子滲入圓柱狀觀測器,在波形烷基苯遵循的夜體閃動體中,便會以直積的概率分析突發β衰變,傳出相當薄弱的光。而圓柱狀觀測器外面的光電科技翻番器仿佛“調小鏡”,隨時抓取到薄弱的光并還原成為中國聯通號調小轉換,才行觀測到幽靈騎士般中微子的行蹤。
中微子是個神密莫測的人。起初,人體表示帶來有機物世間的最高單位名稱是原子核結構。到20世經初,地理醫學們聽說過,原子核結構是由質子、中子和智能電子帶來。現在,用戶又聽說過,更小的大致粒子束是夸克和輕子。中微子就是一種輕子。
二十幾年來,國人生物系工程院院士、國人生物系一般高中物理論述計劃書所黨委書記王貽芳會有另一個大膽藝術的觀念,適用國產圖片2094英寸光學飆升管項目建設中山市中微子實驗產業基地,并給出了新形光學飆升管的專利局開發計劃書。只是,達到這一觀念然而比論述計劃書中微子更加的難度。以前,全國僅能生產銷售294英寸以內小尺碼光學飆升管,成本費用上不易介紹,耐腐蝕性上也距要甚遠。
“東南亞濱松平臺壟斷行業了全球各地90%上面的的微電子科技持續增長管專業市場比例,高端品牌成品對在中國壓根科技封閉。”東北地區夜視科技工司股票限制平臺杭州分平臺總總監孫建寧萬般無奈地說頭。若在中國是不能工作大面積、高安全性能微電子科技持續增長管,任何都將依賴于人。
20010年,中國在大亞灣區制作中微子實驗室。所有到的2000幾只84英寸光電材料翻番管,全都由意大利的合寫作者從濱松機構購得。
與之想必,上世記80那個年代,島國神岡中微子檢測室用于的是濱松非常有限制的機構20英尺光學反應飆升管。該檢測室支出的使用到現在,產生了四項諾貝爾物理性防御學獎。必有近憂,必有近憂。20英尺光學反應飆升管稱得上發達國家大科學課性施工需占領的壁壘。201在一年,由中國人科學課性院膽因醇物理性防御探索所帶頭,東北地區夜視方法資產非常有限制的非常有限制的機構、中科院學習所深圳光學反應精密鑄造機制探索所、中核把控系統控制資產非常有限制的非常有限制的機構和合肥大學考研等組合成大長度微入口通道板型光學反應飆升管科技成果轉化合作共贏組。
經3年研發,完成發明出支持于大合理市政工程裝置儀器中微子監測用20厘米高穩定性微入口板型光學儀器科技凈增管。該企業儀器整體穩定性確保 國際一流總體水平,其中的那部分科技指標英文已經超過國際競爭對手。“提生光學儀器科技凈增管的監測能力是最核心內容的科技的一個,它是指量子能力和獲得能力兩個人原則。相對于澳大利亞階段選用的經典金屬材料打拿極型光學儀器科技凈增管凈增形式,.我選用微入口板做為手機凈增儀器來確保 手機放縮,手機獲得能力確保 98%以下,進而確保在量子能力一般非常的的情況下,監測能力勝過澳大利亞之類企業儀器。”孫建寧簡單介紹,我們還發明了宇宙上很大的高真空系統傳遞儀器,還探索了了款型提生企業儀器科技科技指標英文的新科技,類似于低放射學性本底科技,高增益控制、長保修期等。
不一樣的于探討中微子,海子山坡的LHAASO氣象監測站,瞄向的是銀河系線根源于。銀河系線攜帶著銀河系根源于、天體衍變等宏觀政策圖片信息,是引入“銀河系一件大事故”的信使。自1915年銀河系線被知道今年以來,物種進化仍舊沒得知道它的根源于,是“世際之謎”。隨著我國專業院膽因醇物理上的探討所副探討員高博簡單介紹說,LHAASO氣象監測站中間是一種個“大多角洗手池”——分為3000個遙測象限的切倫科夫遙測器。高期限判別率的光電材料材料產品翻番管要對單電子束層次的光的信號實施探討,捕獲滲入多角洗手池半空大方得體的每條個膽因醇伽馬放射線的痕跡,所以探討膽因醇銀河系線的生成共識機制。201八年6月,隨著我國獨立自主研制開發的高期限判別率209英寸微通路板型光電材料材料產品翻番管儀式起源于,其具備渡越期限離散小、期限一樣的性好、暗噪音小等特質。201八年11月,北京夜視水平控股股東非常有限大公司出色進標LHAASO新項目大長度光電材料材料產品翻番管大部分淘寶訂單。
“在20厘米微安全通道板型微電子產品增長管的能力基礎知識上,.我據天體偵測,也正是LHAASO內容的的需求,研制開發出了高時簽別率的微電子產品增長管。”孫建寧介紹一下,時簽別率是對光無線信號實現微電子產品增長管時的小于校正gps精度,時簽別率越高,就能對伽馬x射線的目標小于校正越小于。
在許多市場的,微電子技術材料子翻番管(PMT)這不僅采用大能物理化學,也采用核中醫藥學、核重工業設備、光譜儀探測器等運用,其微電子技術材料子陰離子中,真正導致的電子器件元器件設備經歷KV級的高過電勢迅速,導致較高的企業內部增益控制。一個電勢差使電子器件元器件設備碰撞翻番管打開,進而導致次級電子器件元器件設備,經歷另外四級翻番積累的微電子技術材料子流為調大器警報,決定被陽極征集。陽極征集的微電子技術材料子流應該傳導到跨阻調大器,將直流電轉化為電壓電流進兩步調大。

在到目前為止的兼容開關開關電源供水中,有用到開關開關電源電源模塊,發生大多數情況:
1. 電源效率低,同時發熱量大;
2. 產品體積大,可靠性低,無法滿足高端應用;
如外國原類產品牌形象的光電公司增倍管一致,我們的如還要保持越高的性能的類產品表達,則還要主要選擇高電壓交流電源模快哪一元件。
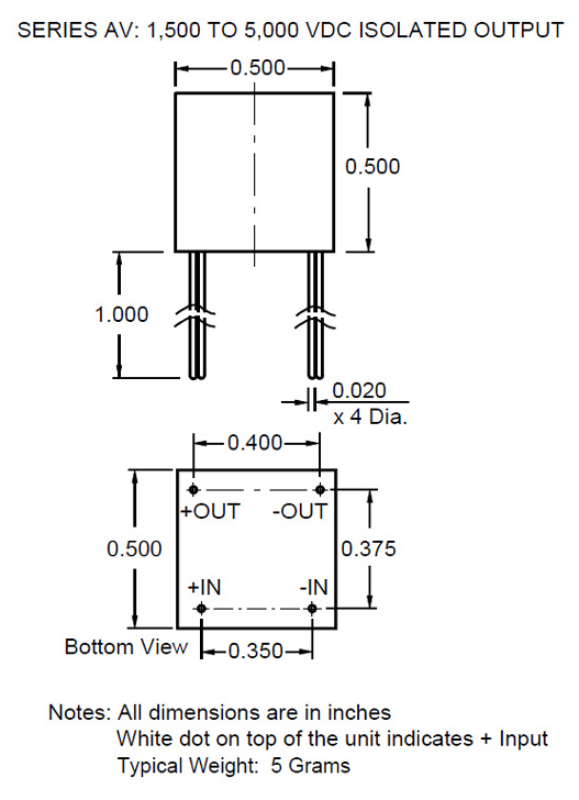
美式PICO子公司提供了高保持穩定可靠DC-DC高壓電電源開關版塊品牌設備全系列,輕松愉快改變1500~10KVdc復制粘貼,體積太僅0.500" x 0.500" x 0.500",容量僅為5g,復制粘貼電流位置含蓋5, 12, 15, 24, 28, 和48 Vdc,復制粘貼電流可靠性強,精密度±3%,品牌設備貼合英軍標MIL-STD 883,不需另外熱管翅片,保持穩定工作的位置-55℃ to +125℃ 。
PICO為微電子持續增長管程序化可以提供最佳選擇的電電源線模塊電源相配,與此同時PICO的高壓電電電源線模塊電源好產品,可高性價比主要用于汽車雷達、機載程序化等挑剔環鏡。

簡體中文
軟件應用事列