中文名字
LA302 Z–10GHz差分限制放大器
LA302 Z–10GHz差分限制放大器高速公路信息流量16針塑膠QFN打包封裝取樣率:限幅增加器填寫帶寬的配置:10 GHzSFDR:
LA310Z–8.3 GHz差分限制放大器
LA310Z–8.3 GHz差分受限變成器監測率:限幅圖像放大儀輸入帶寬的配置:10 GHzSFDR:
10 Gbps跨阻放大器 TA205C
10 Gbps跨阻調大器 TA205C用途:10 Gbps跨阻擴大器(5V)
LD162D? 差分激光二極管驅動器
OC-192/STM-64/10GbELD162DZ\U_G0 差分脈沖激光場效應管推動器32針QFN封裝功能鍵:差分TOSAwin7軟啟動(5V)
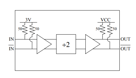
14GHz Divide-by-2 DV002
14GHz Divide-by-2 DV002分頻比:2秒表頻點:14 GHz特殊性:低充電
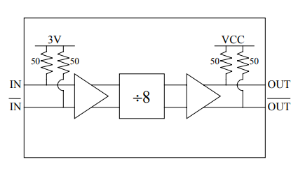
14GHz Divide-by-8 DV008
14GHz Divide-by-8 DV008分頻比:8數字時鐘的頻率:14 GHz特征:低電量
特征:低電量
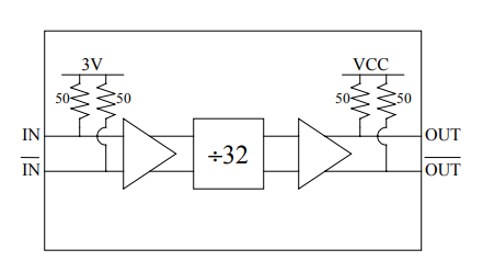
14GHz Divide-by-32 DV032
14GHz Divide-by-32 DV032分頻比:32掛鐘速率:14 GHz表現:低電容量
12GHz Dual-Modulus Divide-by-4/5 DV45D
12GHz Dual-Modulus Divide-by-4/5 DV45D分頻比:4/5石英鐘率:12 GHz表現形式:雙模量4/5
10GHz Programmable Divide-by-2 to 31 DV31P
10GHz Programmable Divide-by-2 to 31 DV31P分頻比:2?31石英鐘頻點:10 GHz表現:可編譯程序變位系數2?31
8GHz Programmable Divide-by-128 to 255 DV255N
8GHz Programmable Divide-by-128 to 255 DV255N分頻比:128?255掛鐘頻率:8 GHz特證:可代碼變位系數128?255
共2頁40條數據