這個行業報告、短視頻軟件
推送精力:2025-02-12 15:52:44 訪問 :530
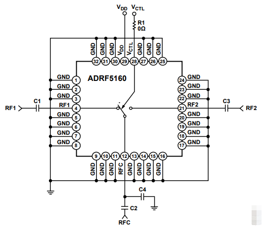
ADRF5160是Analog Devices Inc.(ADI)發行的一個高效能硅基0.7 GHz至4.0 GHz單刀雙擲(SPDT)折射啟閉,主要包括無引腳、漆層貼裝的封裝形勢。ADRF5160專為高熱效率適用和蜂窩前提公用設施,如常期變革(LTE)信號塔等定制。ADRF5160提供精湛的高公率加工處理效果,其暫時(>10年)均經典值在8 dB峰均比LTE前提下可達到41 dBm,此外在2.0 GHz如下的常見復制到損失僅為0.7 dB。另外,ADRF5160的填寫三階截點(IP3)舉例臨界值70 dBm,0.1 dB降低點(P0.1dB)其最典型的數值為47 dBm。
ADRF5160的片上電源線路在5 V單正24v電原工作電壓下執行,基本特征24v電原直流電僅為1.1 mA,是PIN電子元器件大家庭中的一員-二極管打開的志向使用措施。ADRF5160的封裝具有RoHS標,使用緊奏型的32引腳、5 mm × 5 mm LFCSP結構設計。

基本特征評述:
漫反射式設計構思,50 Ω電阻值輸入
低放損失:在2.0 GHz以上,典型案例數值0.7 dB
高工作效率工作的能力,在TCASE = 105°C要求下特征優良
長久(>10年)大概熱效率表達:
不斷波工作功率:43 dBm
閥值電率:49 dBm
LTE差不多最大功率(8 dB峰均比):41 dBm
累計事件真相(<10秒)一般LTE輸出功率(8 dB峰均比):44 dBm
高線形度癥狀:
P0.1dB非常典型值:47 dBm
IP3一般值:70 dBm
人體靜電發出電(ESD)保護措施等級高:
人體肌肉型號(HBM):4 kV,3A級
導電連接機器設備模式化(CDM):1.25 kV
單正交流電源電流電壓:5 V
正管控4g信號,兼容CMOS/TTL電平
緊身的32引腳、5 mm × 5 mm LFCSP裝封
用教育領域:
wifi基礎理論的設施系統
中國國防及高可靠的性用景象
測試儀測定裝置
作為一個PIN二級管開關按鈕的用于實施方案
東莞市立維創展科技產業是ADI的分銷系統商,主要的打造變小器、線型成品、數據庫變換器、音短視頻成品、聯通寬帶成品、鐘表和定時IC、光釬安全可靠產品的、usb接口和間格、MEMS和感知器、供電和熱經管、解決器和DSP、rf射頻和圖文工作器、觸點開關和調整器等,類產品原廠外盤,價特點,歡迎會資詢。