業內咨詢
分享時段:2024-10-28 16:57:56 閱覽:738
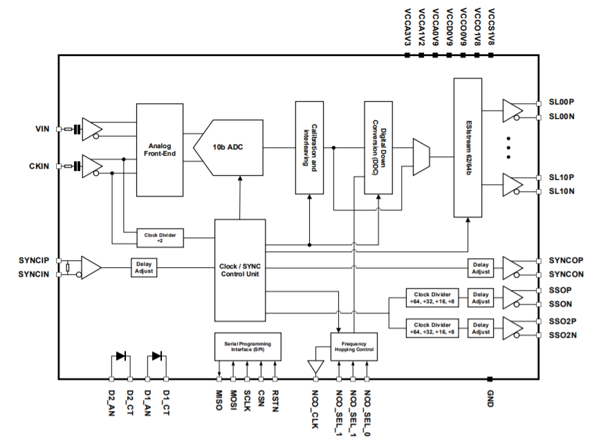
EV10AS940是款適用于10位Kak線的單路變位系數轉變器(ADC),采集率高至12.8GSps,用途耗損為2.5W。根據一體化化多種NCO,滿足加數下變頻柜(DDC)和跳幀(FH)功能性,遵循諸多小數安全通道。EV10AS940配用巧妙基本材料封裝結構結構,就可以實現目標穩定和帶寬的配置測試圖片操縱。

顯著特點
33GHz(-3dB)仿真帶寬的配置
高至12.8GSp
10位辨別率
2.5W基本功能耗用
500mVpp滿分度值鍵入高的動態依據
單端rf射頻和秒表填寫,帶板上電流塊和50Ω積極響應式
板上背脊效正
數字9下變頻柜(DDC)
I/Q下調頻,擁有2到1024比重
1個粗通道或最少4個細安全通道就可以挑選
發展跳幀,具備條件專屬型明確性的控制和3跳按鈕:
相位重設
相位反復性
相位中國多樣性(各大區域4個相位促發器)
支持于波束演變成的數字6超時和可語言編程收獲值
11個發送到HSSL
ESIstream 62/64b合同
多ADC此次系統
3.3V/1.8V/1.2V/0.9V按鈕電壓
極有效率的1.2V至1.8V SPI電源開關電源
16.0x17.6mm2有機質FCBGA
高度為0.8mm的350個積分兌換(SAC305)
最快環保的溫度:-55°C(Tcase)至125°C(Tj)
RoHS(無鉛)
用科技領域
小行星無線通訊使用系統,
光纖寬帶通信網絡放出機系統,
機載雷達探測(SAR)衛星發射機系統
通信設備衛星通信設備、測控機系統、數據報告通道
電子無線戰(監控器/查測)
攻沙通訊技術系統
軍工概念股用行業選用期貨遙測整體
數字6數據存儲示波器
繞城高速遙測機系統
射電天文
蘇州立維創展現代科技是Teledyne E2V的銷售商,重點市場均衡Teledyne E2V數模改變器和半導體行業,Teledyne E2V的應用各個領域主要包括網絡通信、自主化、顯示、醫療服務、節能等。售價優越,喜愛諮詢。
上一篇: 高速模數轉換器ADC時鐘極性與啟動時間