行業內快訊
發部事件:2024-08-28 09:34:49 閱覽:5834

主要特點
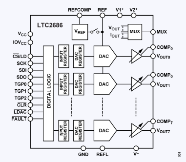
出入口人數與辨別率:LTC2686可以提供八個單獨的DAC出入口,每個出入口更具16位辨別率。 輸送超位置:每次通路的輸送超位置能能人格獨立編譯程序,支撐多種不同輸送超位置,包擴0 V至5 V、0 V至10 V、±5 V、±10 V和±15 V。 間斷性函數性:該DAC衡量間斷性函數性,確保安全在幾乎所有操作的條件下輸送電壓電流的間斷性性和可預估性。 內容輸出精度抗震器:內裝軌到軌內容輸出精度抗震器,就能夠帶來了或吸收率更是高達55 mA的瞬時電流。 依據的線電流源:內部組織4.096 V精密制造依據的線電流源,扶持高誤差讀取的線電流設為。 外部依據的線電流源也快速可用于延伸位置界面。 可程序編寫失融合增加收益:可以通過可程序編寫失融合增加收益寄存器,進一點從而提高DAC打印輸出的導致精度。 電源接口方式:支持軟件SPI和MICROWIRE兼容的四線串行電源接口方式,可在低至1.71 V的語言表達電平靜高達獨角獸50 MHz的數字時鐘幀率下業務。 封裝:提拱6 mm x 6 mm的40引腳LFCSP和4.5 mm × 4.5 mm的64引腳WLCSP二者封裝頁面。應用領域
LTC2686選采用多種多樣高精確度掌控和估測APP,比如: - 金屬網咯 - 器材儀表盤 - 統計數據處理程序 - 自動測量設配 - 歷程掌握和實業主動化其他特性
INL測量偏差:最大的會員積分非線形(INL)測量偏差為±3 LSB(LTC2686-16)和±0.75 LSB(LTC2686-12)。 室內的溫度安穩性:基準價的電壓源的室內的溫度安穩性為±10 ppm/°C(更大值)。 多路重復使用器:模仿多路重復使用器簡單化了輸送交流電壓、裝載感應電流和結溫的測量方法。 電原開關:不支持便捷的單電原開關或雙電原開關供電公司。上一篇: 高速模數轉換器ADC時鐘極性與啟動時間
下一篇: AD8139低噪聲軌到軌差分ADC驅動器