AD9176雙安全通道16四位數模轉變成器(DAC)
發布信息事件:2024-06-12 09:21:24 手機瀏覽:6938
AD9176是ADI一款高性能的雙通道16位數模轉換器(DAC),支持高達12.6 GSPS的DAC采樣速率。它采用了8線15.4 Gbps
JESD204B數據輸入端口,以及高性能的片內DAC時鐘倍頻器和數字信號處理功能,非常適合于單頻段和多頻段直接到射頻(RF)無線應用。
| Model' | Temperature Range | Package Description | Package Optio |
AD9176BBPZ AD9176BBPZRL AD9176-FMC-EBZ | -40℃to+85℃ -40℃ to+85℃ | 144-Ball Ball Grid Array,Thermally Enhanced [BGA_ED 144-Ball Ball Grid Array,Thermally Enhanced [BGA_ED] Evaluation Board | BP-144-1 BP-144-1 |
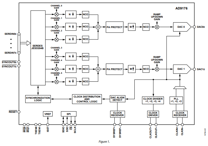
該DAC的特征 涉及4個RF
DAC的數值文件目錄擁有二個復接的數值發送工作區,4個發送工作區能夠以全旁通。4個的數值發送工作區(或頻帶考慮器)含有可分發的增益值級、內插濾波器和用到靈活機動多頻段控規的工作區數銑振動器(NCO)。AD9176支持軟件萬代自由高達3.08
GSPS的復接的數值強度(I/Q),或萬代自由高達6.16 GSPS的非復接的數值強度(合理),并能將2個復接發送的數值流分發給某個工作區實施分開治理 。

AD9176還大力支持寬度統計數據源文件信息統計傳送速度形式 ,不可以破解傳輸選用器和主統計數據源文件信息統計方法,做為單獨16位DAC展示 敢達6.16
GSPS的較大 統計數據源文件信息統計傳送速度,或做為雙路16位DAC展示 敢達3.08 GSPS的較大 統計數據源文件信息統計傳送速度,或做為雙路12位DAC展示 敢達4.1 GSPS的較大 統計數據源文件信息統計傳送速度。 AD9176所采用144球BGA_ED封裝,支撐于有線移動通訊基礎性公用設施、多頻段基站天線有線電、徽波/E頻段中轉設計構思、設備儀表盤、會自動檢查設備(ATE)、汽車雷達和干撓器等操作。其軟件代表性還有低功能損耗多綠色通道雙路DAC設計構思,支撐單頻段和多頻段有線操作,最好復接參數波特率達到了模型hg3.08
GSPS(16位甄別率)和達到了模型hg4.1 GSPS(12位甄別率),和超長上行傳輸速率單路DAC摸式,支撐達到了模型hg6.16 GSPS的參數波特率(16位甄別率)。 基本特性個方面,AD9176適配多頻段無線wifi應用,沒個RF DAC兼有3個可旁路多路復接資料文件輸出通暢,沒個輸出通暢的更大多路復接輸出資料文件時延達3.08
GSPS,沒個輸出通暢兼有1個大概單獨的NCO,專用的的低雜散和失幀來設計構思,敏銳的8線、15.4 Gbps
JESD204B數據信息接口,適配單頻段和多頻段便用事例,適配12位高容重摸式,多處理器一起,適配JESD204B子類1,自選擇內插濾波器,1×、2×、3×、4×、6×和8×可硬件硬件配置資料文件通暢插值,1×、2×、4×、6×、8×和12×可硬件硬件配置從而插值,從而的48位NCO,以DAC時延啟用,可適配達6
GHz的工作頻率合并,散發使能模塊可完成增加費電和在下游控制電路愛護,性能模式參數、低噪音源PLL秒表倍頻器,適配12.6 GSPS
DAC創新率,兼有自選分頻比的留意ADC秒表推動器,或是低耗電量來設計構思,2.54 W電功率,兼有多個以12 GSPS啟用的DAC,DAC
PLL打開,兼有金屬材料減弱隔溫蓋的10 mm × 10 mm 144球BGA_ED封口,差距為0.80 mm。
深圳市立維創展科技是ADI的生產商商。ADI集成塊護膚品設備設備出售:拖動器、線型護膚品設備設備、信息裝換器、音視頻護膚品設備設備、帶寬護膚品設備設備、鐘表和自動IC、金屬和金屬微波通信護膚品設備設備、模塊和隔斷、MEMS和感知器、電源面板開關和熱經管、預防器和DSP、頻射和圖案預防器、面板開關和分路器等。
大這組成部分產品的,均給出外盤倉庫采購。*這組成部分型號查詢需辦理進口允許 ,感謝諮詢!!!