行業中手游資訊
推出耗時:2022-05-09 16:50:04 看:1159
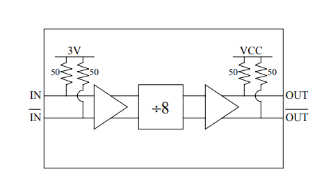
DV008是款16針3x3mm金屬QFN封裝的繞城高速8分頻器。是因為其高復制粘貼流暢性、低內容輸出相位噪聲源和小規模尺碼,DV008尤其是是和從網洛通訊網、議器系統、無線網電/預警雷達觀測到醫學售后服務等普遍利用。DV008遵循差分輸入和所在,可聯收從0.2GHz(正弦交流電波、整流方波)到14GHz的發送平率。需耍個+5V的打開直流穩壓電源。

具體顯著特點
?0.2-14GHz速率
?低相位燥聲:-140dBc/Hz
?高填寫迅敏性:-25dBm
?傷害震幅:800mVp-p(差分)
?差分手機輸入和讀取
?50?搜索/所在電阻值
?單轉換開關電壓:+5V
?直流電消耗:75mA
?16針3x3mm材料QFN裝封
鄭州市立維創展科學技術是EUVIS的銷售商生產商商,主要的具備EUVIS的世界權威的快速路數模轉為DAC、進行金額頻繁分解成器DDS、多路復用DAC的基帶芯片級物品,、公路搜集板卡、動態數據波形參數形成器等物品,原裝進口現貨黃金,市場價格好處,歡迎圖片詳詢。
詳情頁熟知EUVIS請點一下://zhixianguangzhou.com.cn/brand/24.html