行業領域新聞
發布消(xiao)息周期:2018-05-25 16:55:43 訪(fang)問:9735
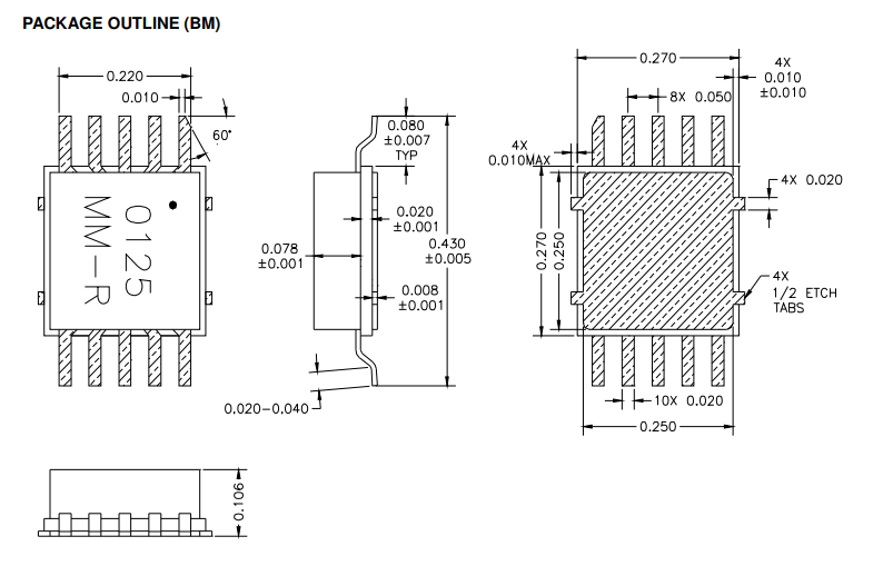
AMCOM的(de)AM012535MM-BM-R與AM012535MM-FM-R是(shi)(shi)GaAs MMIC功(gong)(gong)率(lv)放大(da)器(qi)系列(lie)的(de)一(yi)部分(fen)。它有(you)20 dB增益和(he)33 dBm輸(shu)(shu)出功(gong)(gong)率(lv),超過0.03到2.5 GHz。這(zhe)個(ge)(ge)MMIC是(shi)(shi)在(zai)(zai)(zai)一(yi)個(ge)(ge)陶瓷(ci)封(feng)裝中,在(zai)(zai)(zai)包裝的(de)較低(di)的(de)層(ceng)次(ci)上有(you)射(she)頻和(he)直流導線,以方(fang)便低(di)成本的(de)SMT組裝到PC板(ban)上。當直接(jie)安(an)裝到PCB板(ban)上時,請參閱(yue)應用說(shuo)明AN700。由于高直流功(gong)(gong)率(lv)損耗,我們強烈(lie)建議將這(zhe)些設(she)備直接(jie)安(an)裝在(zai)(zai)(zai)金屬(shu)(shu)散熱器(qi)上。AM012535MM-FM-R是(shi)(shi)安(an)裝在(zai)(zai)(zai)鍍金銅(tong)法(fa)蘭上的(de)AM012535MM-BM-R。法(fa)蘭上有(you)兩個(ge)(ge)螺絲孔,便于擰到一(yi)個(ge)(ge)金屬(shu)(shu)散熱器(qi)上。 這(zhe)個(ge)(ge)MMIC是(shi)(shi)符合RoHS要求的(de)。該(gai)產品通(tong)常在(zai)(zai)(zai)20V上有(you)偏差,但它的(de)工作效率(lv)低(di)至6V,具有(you)相(xiang)同的(de)增益和(he)減少的(de)輸(shu)(shu)出功(gong)(gong)率(lv)。
倘若您都要選用AM012535MM-BM-R/AM012535MM-FM-R,請超鏈接左面電話客服認識咱們!!!
| 品牌 | 型號 | 描述 | 貨期 | 庫存 |
| AMCOM | AM012535MM-BM-R/AM012535MM-FM-R | 20 dB增益值和33 dBm輸出工作電壓,超過了0.03到2.5 GHz。 | 現貨 | 300 |

應用