餐飲行業分析、短視頻軟件
公布時間間隔:2025-08-20 16:41:51 搜素:98
在工藝電壓用電線路傳統混用下載加速的必然趨勢分析下,全球公司逐漸提升技術性、增強性以能夠滿足高品質實際需求。Leadway發布的LWH12060WAH交流電源電源模塊,為PTH12060WAH可以提供了國產車方式計劃。
LWH12060WAH是專為重復使用PTH12060WAH而的設計的開關電源輸出模塊,著力推進于實現同一或相仿的耐腐蝕性業務需求,也給出凸顯出竟爭力的價位和更靈便的銷售鏈能夠。
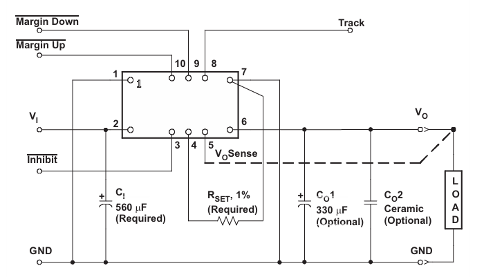
核心區基本參數相比較
建設項目 | LWH12060WAH(Leadway) | PTH12060WAH(TI) |
輸人電流值 | 10.8–13.2 V | 10.8–13.2 V |
輸出電阻值 | 1.2–5.5 V 隨意調節 | 1.2–5.5 V 可調節為 |
效果直流電壓 | 10 A | 10 A |
成功率 | 舉例 94 % | 典例 94 % |
操作溫暖 | –40 °C ~ +97 °C | –40 °C ~ +97 °C |
封裝形式 | 10-DIP | 10-DIP |
長寬高 | 25.4 mm × 15.7 mm × 8.9 mm | 25.4 mm × 15.7 mm × 8.9 mm |

改用采取問題
能兼容性問題:在使用前,需對LWH12060WAH去推進改革的安全性能測評,保障其與PTH12060WAH在每項技術工藝因素上兼容,規避是因為效能指標之間的關系使得模式出現故障或效能指標下跌。
提供鏈不可靠性處理性:考評Leadway等國外制造業企業的生育技能、的質量標準化管理指標體系和售后保障保障能力,為了確保LWH12060WAH的產出鏈適用性處理高性,解決由于產出需求或車輛故障 影晌產出進展和車輛車輛。
成本價盈利能力深入分析:綜合性遵循LWH12060WAH的投資制造費費管理費、利用投資制造費費和檢修投資制造費費等情況,與PTH12060WAH來人工成本成效闡述,保持方式設計方案在條件上具可靠性。
混用好處
不用改板:引腳分類、規格為長寬、焊盤不對,之間取代,不用立即Layout。
使用性能很:親測紋波≤7 mV,錯誤率 94 %,與原功能模塊穩定不一。
注冊完善:順利通過 UL/CSA 審核,需要滿足工業品級靠譜性請求。
人工成本交貨期:Leadway國內進貨,房價較 TI 低約 30 %,交貨期 2–4 周,可克服缺貨安全隱患。
成都市立維創展科技發展有限新公司英文新公司具備20年網絡元元件技木掌握,靠譜的服務研發管理和品質管理團隊,贏得Leadway24v電源版塊產品。以高技術自主創新為重要,做最好銷售市場滿足市場的需求的產品品種。產品補短板美系、日系風格,保證pin &pin修改如必須要 所有新技術支撐,或產品的詳詢,歡迎詞詳詢。